Cornell Communications (180 Files)
Cornell Communications 16 Output 64 Transmitter Receiver RC400D 0 downloads PDF
Cornell Communications 1AMP Power Supply P-512241A 0 downloads PDF
Cornell Communications 20-pin Connector Call Cord SW-510 0 downloads PDF
Cornell Communications 2000 Series Design Guide - Non-Interactive 0 downloads PDF
Cornell Communications 2012 International Building Code 0 downloads PDF
Cornell Communications 3 AMP Power Supply B-5243B 0 downloads PDF
Cornell Communications 3AMP Power Supply P-512243A 0 downloads PDF
Cornell Communications 4000 Nurse Call Product Specification 0 downloads PDF
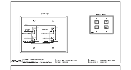
Cornell Communications 4000 Series Nurse Call Single vs Dual status 0 downloads PDF
Cornell Communications 4200 Annunciator Cut Sheet 0 downloads PDF
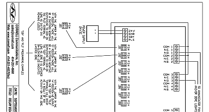
Cornell Communications 4200 Annunciator Wiring Harness - D4200W-E 0 downloads PDF
Cornell Communications 4200 Detailed Operation Instructions 0 downloads PDF
Cornell Communications 4200 Install Guide 0 downloads PDF
Cornell Communications 4200 Operation Instructions - D4200P 0 downloads PDF
Cornell Communications 4200 Remote Annunciator Layout - D4200W-B 0 downloads PDF
Cornell Communications 4200 Remote Annunciator Terminations - D4200W-C 0 downloads PDF
Cornell Communications 4200 Rescue Assistance Overview 0 downloads PDF
Cornell Communications 4200 Rescue Assistance Product Specification 0 downloads PDF
Cornell Communications 4200 System Wire Diagram - D4200W-D 0 downloads PDF
Cornell Communications 4200 Wiring Riser Diagram - D4200W-A 0 downloads PDF
Cornell Communications 4201B Station Wiring 0 downloads PDF
Cornell Communications 4202VMW Weatherproof Station Wiring 0 downloads PDF
Cornell Communications 4400 Annunciator Panels Installation Instructions 0 downloads PDF
Cornell Communications 4800 Control Panel 0 downloads PDF
Cornell Communications 4800 Expansion Switch 0 downloads PDF
Cornell Communications 4800 Series Rescue Assistance Digital System Spec 0 downloads PDF
Cornell Communications 4800 Series Rescue Assistance Digital System Spec - Coming Soon 0 downloads PDF
Cornell Communications 4800 Station 0 downloads PDF
Cornell Communications 5000 Visual Nurse Call Overview 0 downloads PDF
Cornell Communications 8 AMP Power Supply B-5248A 0 downloads PDF
Cornell Communications AURA 2 0 Brochure 0 downloads PDF
Cornell Communications AURA 2 0 Description 0 downloads PDF
Cornell Communications AURA 2 0 System Requirements 0 downloads PDF
Cornell Communications AURA 2 0 User Interface Manual 0 downloads PDF
Cornell Communications AURA Administrator Guide 0 downloads PDF
Cornell Communications AURA Design Guide 0 downloads PDF
Cornell Communications AURA Senior Housing User Guide 0 downloads PDF
Cornell Communications Alphanumeric Pager PP-9000AW 0 downloads PDF
Cornell Communications Annunciator Panel A-4400 0 downloads PDF
Cornell Communications Annunciator Panels A-2000 0 downloads PDF
Cornell Communications Annunciator Panels A-4000 0 downloads PDF
Cornell Communications Annunciator Station Six Zones Latching A-4006L Wiring 0 downloads PDF
Cornell Communications Annunciator Station Three & Six Zones (Old Style) A-4006 Wiring 0 downloads PDF
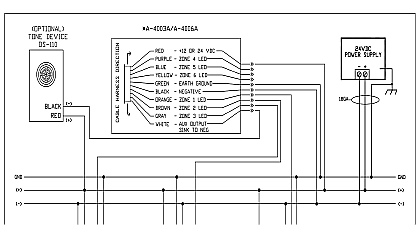
Cornell Communications Annunciator Station Three & Six Zones A-4003A, -4006A 0 downloads PDF
Cornell Communications Annunciator Station Three & Six Zones A-4006A Wiring 0 downloads PDF
Cornell Communications Audio Nurse Call 4500 Installation Guide 0 downloads PDF
Cornell Communications Audio Nurse Call 4500 Series Manual 0 downloads PDF
Cornell Communications Audio Nurse Call 4500 Series Overview 0 downloads PDF
Cornell Communications Audio Nurse Call 5500 Overview 0 downloads PDF
Cornell Communications Aura 2 0 Architectural Product Specification 0 downloads PDF
Cornell Communications Aura 2 0 DEMO KIT 0 downloads PDF
Cornell Communications Battery 3AMP Power Supply B-5243A 0 downloads PDF
Cornell Communications Bedside Station with 20-Pin Connector B-111EP 0 downloads PDF
Cornell Communications Bedside Stations B-111 B-113 & B-122 0 downloads PDF
Cornell Communications Call Cord HAN7608UA 0 downloads PDF
Cornell Communications Call Stations Cut Sheet 0 downloads PDF
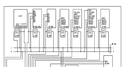
Cornell Communications Check in Station, Push Button E-107 0 downloads PDF
Cornell Communications Check in Station, Push Button E-107 Wiring 0 downloads PDF
Cornell Communications Communicator RN 5500 Brochure 0 downloads PDF
Cornell Communications Communicator RN System Reference Guide 0 downloads PDF
Cornell Communications Computer for AURA - AUR-2000 and 2001 with Client 0 downloads PDF
Cornell Communications Control Unit Visual Only 128 station HTN7680UA 0 downloads PDF
Cornell Communications Control Units Audio HTN7672UA HTN7674UA 0 downloads PDF
Cornell Communications Controller Wiring page 1 DC-064, -128 0 downloads PDF
Cornell Communications Controller Wiring page 2 DC-064, -128 0 downloads PDF
Cornell Communications Corridor Dome Lights HWN6691UA,92UA,93UA,95UA 0 downloads PDF
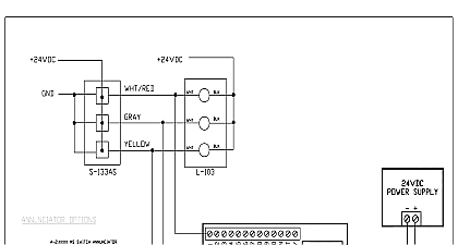
Cornell Communications Corridor Lights L-101, L-102, L-103, L-422, L-423 0 downloads PDF
Cornell Communications Corridor Lights with Tone LS-201 0 downloads PDF
Cornell Communications Credit Application 0 downloads PDF
Cornell Communications Data Logging Overview 0 downloads PDF
Cornell Communications Desktop Paging Receiver DP-9000R 0 downloads PDF
Cornell Communications Digital Area of Rescue Assistance Flyer 0 downloads PDF
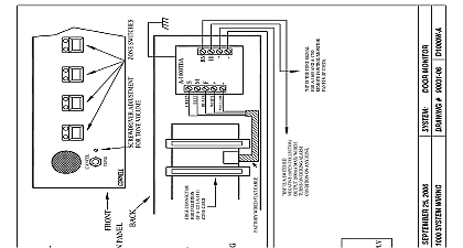
Cornell Communications Door Monitor 1000 Series Product Specification 0 downloads PDF
Cornell Communications Door Monitor Manual 0 downloads PDF
Cornell Communications Door Monitor Overview 1000 Series 0 downloads PDF
Cornell Communications Door Monitor Wiring and Operating Overview A-1000 0 downloads PDF
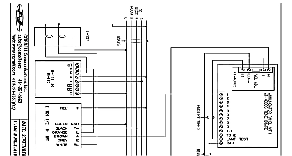
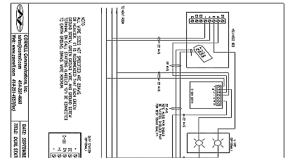
Cornell Communications Dual Status NC-102, L-102, E-104-1 wiring 0 downloads PDF
Cornell Communications Dual Status NC-102D, L-101, E-104-1 Wiring 0 downloads PDF
Cornell Communications Dual Status Operations and Specifications 0 downloads PDF
Cornell Communications Dual Status Pull Cord Emergency Station E-104-1, WP 0 downloads PDF
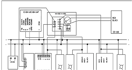
Cornell Communications Duty Station DS-110 0 downloads PDF
Cornell Communications Duty Station HWN7606UA 0 downloads PDF
Cornell Communications Duty Stations D-111 & D-112 0 downloads PDF
Cornell Communications Emergency Station Push On-Twist Off E-108A 0 downloads PDF
Cornell Communications Emergency Station with Momentary Switch E-144 0 downloads PDF
Cornell Communications Emergency Station with Momentary Switch E-144 Latching Wiring 0 downloads PDF
Cornell Communications Emergency Station, Toggle Switch E-105 0 downloads PDF
Cornell Communications Emergency Stations E-101 & E-103-E-113 0 downloads PDF
Cornell Communications Emergency Stations – Pull String E-114, E-114-1 & E-114-3 0 downloads PDF
Cornell Communications Fixed Button Transmitter TR-P200SE 0 downloads PDF
Cornell Communications Flasher Module P-5000F 0 downloads PDF
Cornell Communications Four Switch Station Wiring S-234 0 downloads PDF
Cornell Communications How to Apply ADA in Area of Rescue Assistance Article 0 downloads PDF
Cornell Communications Infrared Motion Sensor-Transmitter TR-M100E 0 downloads PDF
Cornell Communications Key Switch Station Wiring A-1900, A-1901 0 downloads PDF
Cornell Communications Keypad Station A-1806D, A-1808D 0 downloads PDF
Cornell Communications Keypad Station Manual A-1806D and A-1808D 0 downloads PDF
Cornell Communications Keypad Station Operating Instructions A-1806D, A-1808D 0 downloads PDF
Cornell Communications Keypad Station Wiring A-1806D, A-1808D 0 downloads PDF
Cornell Communications Latching Annunciator Wiring 0 downloads PDF
Cornell Communications Light Controller LC-064E 0 downloads PDF
Cornell Communications Light Status Brochure 0 downloads PDF
Cornell Communications Light Status Manual 2000 Series 0 downloads PDF
Cornell Communications Master Panels A-1000 0 downloads PDF
Cornell Communications Mobile Transmitter TR-P100E 0 downloads PDF
Cornell Communications Mounting Heights 0 downloads PDF
Cornell Communications Nurse Call 4000 Dual Status Manual 0 downloads PDF
Cornell Communications Nurse Call 4000 Series Brochure 0 downloads PDF
Cornell Communications One Switch Station Wiring S-131 0 downloads PDF
Cornell Communications Oxygen Safe Call Cords SW-206, -210, SW-406, -410 0 downloads PDF
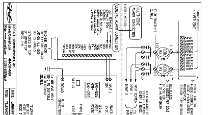
Cornell Communications PLC wiring diagram 0 downloads PDF
Cornell Communications PLC, Programmed Test Unit TU-100E Instructions 0 downloads PDF
Cornell Communications Paging Base Transmitter TR-9010-W2, -W5 0 downloads PDF
Cornell Communications Panic Stations P-106, P-116 0 downloads PDF
Cornell Communications Pullcord Station E-7652 E-7657 0 downloads PDF
Cornell Communications Push Button Station with Audio HWN7670UC 0 downloads PDF
Cornell Communications Push Button Stations Satellite HWN7602UA 0 downloads PDF
Cornell Communications Receiver 4 or 16 Channel RC-204 and RC-216 0 downloads PDF
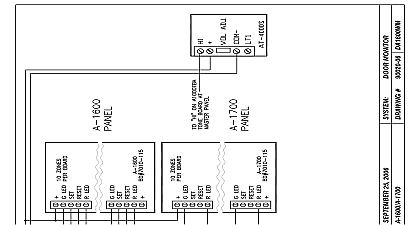
Cornell Communications Remote Control Panel A-1600 0 downloads PDF
Cornell Communications Remote Control Station Wiring A-1800, A-1801, A-1802 0 downloads PDF
Cornell Communications Remote Monitor Panel A-1700 0 downloads PDF
Cornell Communications Remote Station Wiring A-1600, A-1700 0 downloads PDF
Cornell Communications Remote Zone Control Station A-1800 0 downloads PDF
Cornell Communications Repeater RP-102E 0 downloads PDF
Cornell Communications Rescue Assistance 4200 Manual 0 downloads PDF
Cornell Communications Rescue Assistance Made Easy Article 0 downloads PDF
Cornell Communications Room Stations with Call Cord HWN7669 HWN7679 0 downloads PDF
Cornell Communications S Series 0 downloads PDF
Cornell Communications Sanitary Pullcord Instructions 0 downloads PDF
Cornell Communications Sequencing Option Overview 0 downloads PDF
Cornell Communications Signage - Photoluminescent - DSLM42CM 0 downloads PDF
Cornell Communications Single Status Operations and Specifications 0 downloads PDF
Cornell Communications Single Status System E-114-3s Wiring 0 downloads PDF
Cornell Communications Six Switch Station Wiring S-236 0 downloads PDF
Cornell Communications Smart Station HWN7628UC 0 downloads PDF
Cornell Communications Smart Wire CB4200 0 downloads PDF
Cornell Communications Smoke Detector Transmitter TR-S100E 0 downloads PDF
Cornell Communications Speaker Station with Push Button 4513 0 downloads PDF
Cornell Communications Speaker Station with Single Call Cord Jack 4511 0 downloads PDF
Cornell Communications Staff Console Digital HCN7636UA HCN7638UA 0 downloads PDF
Cornell Communications Staff Station S-111, S-112 0 downloads PDF
Cornell Communications Standard Call Cord SW-106, -110 0 downloads PDF
Cornell Communications Standard Signage - DSNBCM 0 downloads PDF
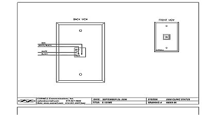
Cornell Communications Status Lights L-Series 0 downloads PDF
Cornell Communications Table of Contents 0 downloads PDF
Cornell Communications Telephone Access Kit - TAK-4202 or TAK-4208 0 downloads PDF
Cornell Communications Telephone Access Kit Wiring - DTAK4200W 0 downloads PDF
Cornell Communications Telephone Integration Overview 0 downloads PDF
Cornell Communications Three Status wiring with smoke detector 0 downloads PDF
Cornell Communications Three Switch Station Wiring S-133 0 downloads PDF
Cornell Communications Time Delay Remote Control Station A-1801 0 downloads PDF
Cornell Communications Triple Status Control Module NC-102D 0 downloads PDF
Cornell Communications Triple Status Control Module NC-102D wiring terminals 0 downloads PDF
Cornell Communications Triple Status NC-102D L-103 Wiring 0 downloads PDF
Cornell Communications Triple Status Wiring Light Status 0 downloads PDF
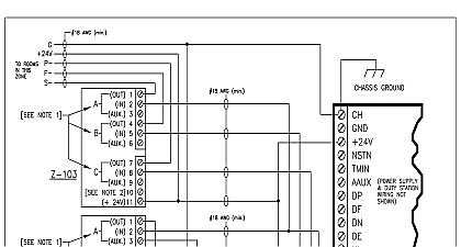
Cornell Communications Triple Status Zone Lights Z-103 0 downloads PDF
Cornell Communications Triple Status Zone Lights Z-103 wiring diagram 0 downloads PDF
Cornell Communications Two Switch Station Wiring S-132 0 downloads PDF
Cornell Communications Typical 4000 Series Nurse Call System Sheet 0 downloads PDF
Cornell Communications Typical Door Monitor System Wiring 0 downloads PDF
Cornell Communications Typical Dual Status System Wiring 0 downloads PDF
Cornell Communications Typical Light Status System Wiring 0 downloads PDF
Cornell Communications Typical Panel Wiring for 4500 Audio Nurse Call System 0 downloads PDF
Cornell Communications Typical Single Status Call Cord Wiring 0 downloads PDF
Cornell Communications Typical Single Status Pull Cord Wiring 0 downloads PDF
Cornell Communications Typical Single Status System Wiring 0 downloads PDF
Cornell Communications Typical System Wiring with NC-102D 0 downloads PDF
Cornell Communications Universal Transmitters TR-U100IVE TR-D100IVE 0 downloads PDF
Cornell Communications VersaPage Interface Wire Connection Page 1 0 downloads PDF
Cornell Communications VersaPage Interface Wire Connection Page 2 0 downloads PDF
Cornell Communications VersaPage Overview 0 downloads PDF
Cornell Communications VersaPage Series 9000 Product Specification 0 downloads PDF
Cornell Communications Visual Annunciator Panel 32 station HRN7614UA 0 downloads PDF
Cornell Communications Visual Patient Station HWN7630UC 0 downloads PDF
Cornell Communications Wireless Bed Station TR-ST100BE 0 downloads PDF
Cornell Communications Wireless E-Call AURA 2 Product Overview 0 downloads PDF
Cornell Communications Wireless E-Call AURA System Overview 0 downloads PDF
Cornell Communications Wireless Pull Cord Station TR-ST100E 0 downloads PDF
Cornell Communications Wireless Survey Kit WS-100E 0 downloads PDF
Cornell Communications relay board wiring diagram 0 downloads PDF



















































































































































































